项目名称 | 陈永明自建房 |
类型 | 批前公示 |
公示类别 | 建设工程规划许可证 |
建设单位 | 陈永明 |
用地位置 | 勐董镇白塔社区陶器社 |
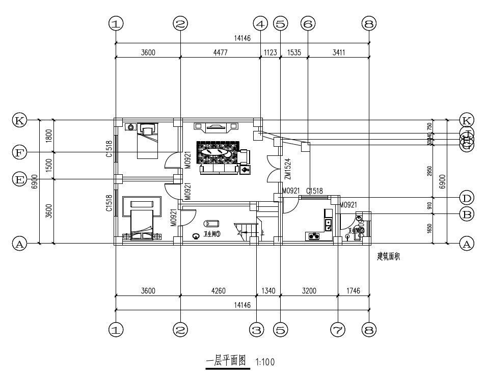
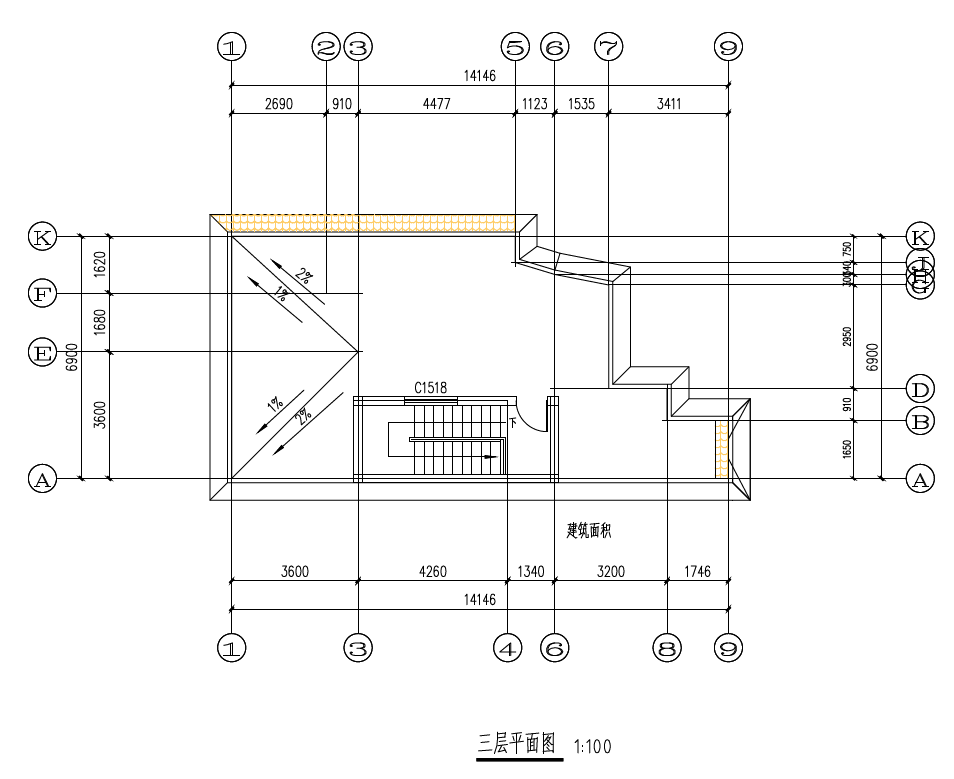
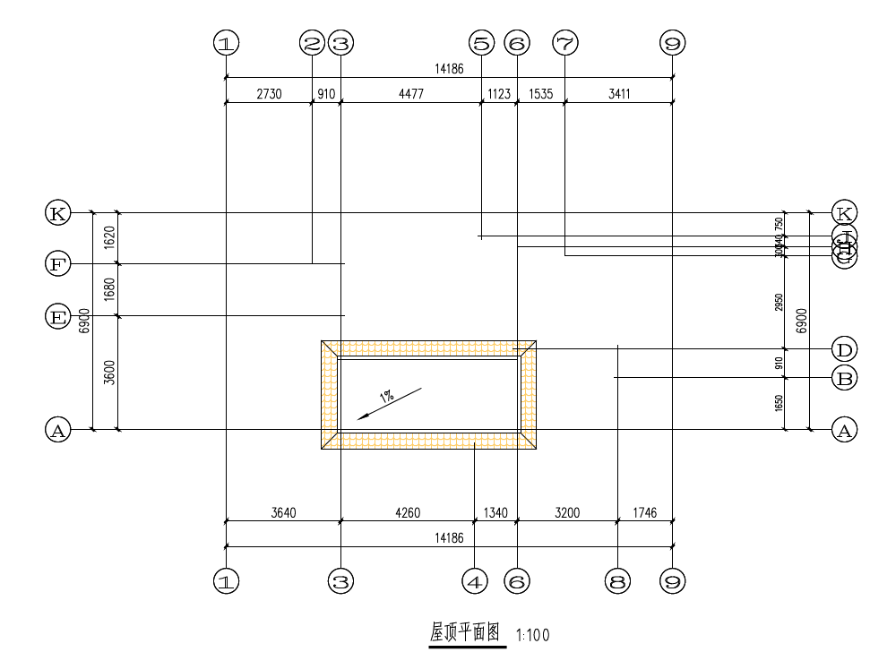
主要经济技术指标 | 总用地面积:166.72㎡;总建筑面积:180.95㎡;建筑占地面积:83.32㎡;绿地面积34.21㎡,绿地率20.52%,容积率1.09,建筑密度50%,建筑高度10.80米。 |
公示期限 | 7个工作日(2025年10月15日至2025年10月23日) |
联系电话 | 0883-7126375 |
联系邮箱 | cyxgtjghg@163.com |
说明 | 1.书面反馈(申请)意见发表时间或邮戳日不应超过公示期的最后一天24:00前,逾期视为无效意见。2.书面意见应注明真实联系人姓名、联系方式。3.信件寄往沧源县勐董镇广场路49号县自然资源局(请注明“公示通告”字样)。 |
公示网址 | |
附件 | 勐董镇白塔社区陶器社陈永明自建房建设工程项目设计方案批前公示平面图
|




